КАРКАСНЫЙ ДОМ
     Каркасный дом
     Проекты каркасных домов
     Комплект каркасного дома
     Цена каркасного дома
     Каркасные дома фото
     Смета на строительство




ПОСТРОЕННЫЕ ДОМА.

Дом из клееного бруса.

Дом из клееного бруса

Деревянный дом из бревна.

Деревянный дом из бревна

Дачный дом с отделкой.

Дачный дом с отделкой

Дом и баня из бревна.

Дом и баня из бревна

Каркасный дом с отделкой.

Каркасный дом с отделкой

Дом из бревна.

Дом из оцилиндрованного бревна

 

Проект дома из бруса скачать бесплатно с чертежами.

Фасад, фундамент плита, планы этажей, размеры комнат.


проект дома из клееного бруса 142 м2 проект дома из клееного бруса 142 м2 проект дома из клееного бруса 142 м2 проект дома из клееного бруса 142 м2 проект дома из клееного бруса 142 м2 проект дома из клееного бруса 142 м2 проект дома из клееного бруса 142 м2 проект дома из клееного бруса 142 м2 проект дома из клееного бруса 142 м2 проект дома из клееного бруса 142 м2 проект дома из клееного бруса 142 м2 проект дома из клееного бруса 142 м2 проект дома из клееного бруса 142 м2 проект дома из клееного бруса 142 м2 проект дома из клееного бруса 142 м2 проект дома из клееного бруса 142 м2
Общая площадь 142.1 м2.
Жилая площадь 128.6 м2.

ОБЩИЕ УКАЗАНИЯ: Проект разработан для строительства во II климатическом районе со следующими показателями:

- расчетная зимняя температура воздуха - 26 (наиболее холодная пятидневка в Санкт- Петербурге), по СП 131.13330.2018 "Строительная климатология":

- скоростной напор ветра для II географического района - 30 кгс/м2;

- вес снегового покрова для III района - 180 кгс/м2, по РМД 20-19-2013 Санкт-Петербург.

Для обеспечения требований несущей способности конструкций в процессе возведения должен осуществляться систематический контроль качества материалов и выполнения работ.

Все работы выполнять в строгом соответствии с указаниями СП 49.13330.2010 "Безопасность труда в строительстве".

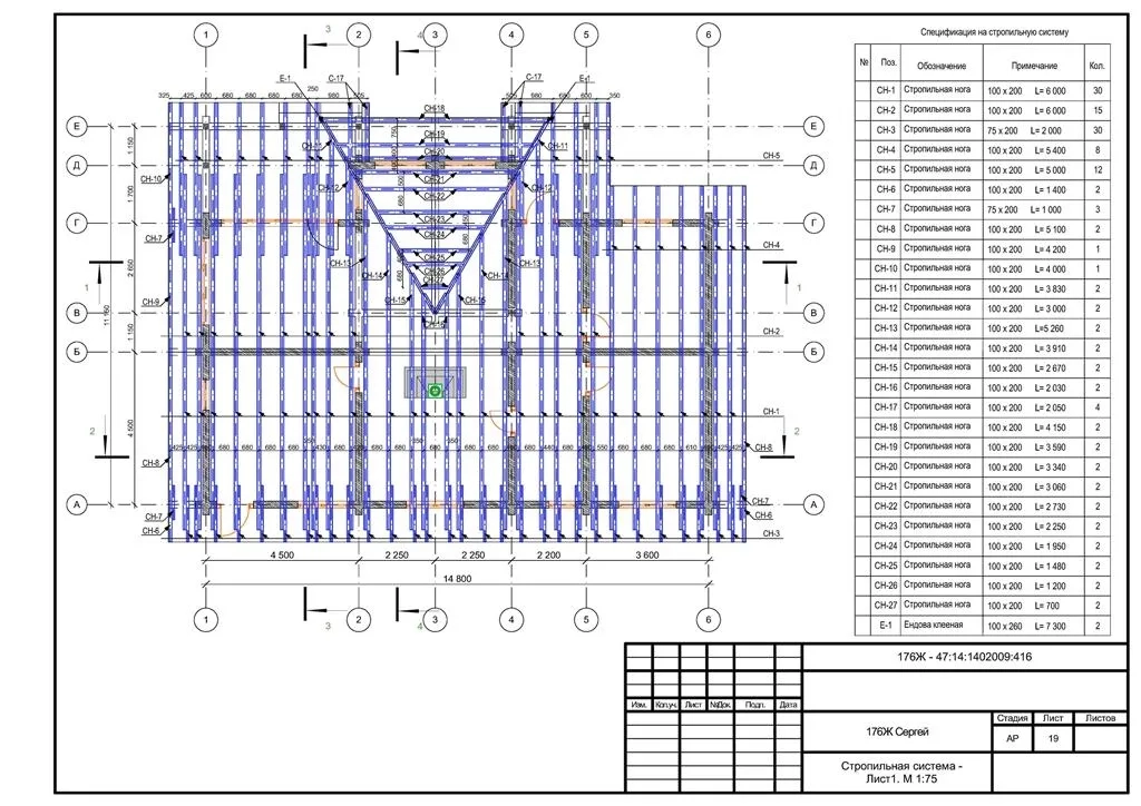
Установку стропильных ног производить по рейке-уровню.

Регулирование уровня обрешетки производить за счет подрезок в стропильных досках.

Элементы несущих конструкций (стропила) изготавливать из древесины хвойных пород естественной влажности, сорт 1-3, по ГОСТ 8486-86Е; ГОСТ 24454-80Е.

Влажность используемых материалов для деревянных конструкций не должна превышать 25%.

Строительно-монтажные работы, включая защитную и антикоррозийную обработку строительных конструкций следует производить в соответсвии с действующими техническими регламентами, в том числе руководствоваться требованиями СП70.13330.2012 "Несущие и ограждающие конструкции" и СП64.1330.2017 "Деревянные конструкции".

Несущие конструкции подвергнуть поверхностной огнебиозащитной противопожарной обработке антисептиком и антипереном МС (ПКО).

Расстояние от наружных поверхностей дымовой трубы до стропил, обрешеток и других деталей кровли из горючих материалов следует предусматривать в свету не менее 130 мм.

Защита деревянных конструкций от гниения и возгорания:

1. Все деревянные конструкции: балки, стропила, обрешетку, опорные подкладки, эксплуатируемы в местах нормальной влажности для защиты от гниения и возгорания подвергать поверхностной обработке водорастворимым антисептиком и антипиреном.

2. Механическая обработка материалов должна производится до проведения мер по защите древесины от гниения и возгорания. В случае когда при сборке и монтаже конструкций производится дополнительная механическая обработка, нарушенное защитное покрытие должно быть восстановлено.

3. Все работы по защитной обработке древесины производить в соответствии с ГОСТ 20022.6-93.

Построим дом - коттедж - дачу по данному проекту каркасный дом или из газобетона/пенобетона/газосиликатных блоков, из кирпича, из рубленного/оцилиндрованного бревна, из клееного/профилированного бруса, из монолитного бетона.

Проект деревянного дома из клееного бруса в формате ПДФ (PDF), можете скачать образец бесплатно как образец или для примера.

 

Запрещается копирование и распространение материалов
сайта без ведома владельцев © 2003-2023 Econom-Stroi.com
О компании Виды работ Прейскурант Наши работы Инвестиции Руководства
Яндекс.Метрика